DS-04剖面圖
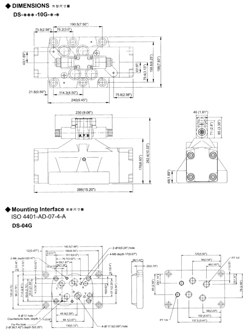
DS-04外型尺寸
DS-04外型尺寸01
DSH-04外型尺寸
DSH-04外型尺寸01
DS-06外型尺寸
DS-04外型尺寸02
DS-04基座尺寸
DS-06/10基座尺寸
電磁閥